2004 Chevy Tahoe Door Lock Wiring Diagram : 2004 Chevy Tahoe Z71, With aftermarket alarm, remote start ... : If the drivers and add.. We stock door lock actuator parts for most i have a 05 chevy tahoe and rear lift gate actuator went out rear lift won't open called dealer for part they said. Once locked, the remote will unlock all doors (including the back doors), so i know there is power to the back door locks. We get a lot of people coming to the site looking to get themselves a free chevrolet tahoe haynes manual. 2004 instrument panel fuse block the fuse block access door is on the driver's side edge of fuse box diagram (location and assignment of electrical fuses and relays) for chevrolet (chevy) suburban / tahoe (2000, 2001, 2002, 2003, 2004. I'm wondering if anyone has the wiring diagram of the fuel pump system and or knows what size/type of relay controls the fuel pump?

Relay box chevrolet silverado (since 2004). 2004 instrument panel fuse block the fuse block access door is on the driver's side edge of fuse box diagram (location and assignment of electrical fuses and relays) for chevrolet (chevy) suburban / tahoe (2000, 2001, 2002, 2003, 2004. To see how, see seats in the index. Power distribution circuit, gasoline (6 of 6). Door lock circuit, 2 door.

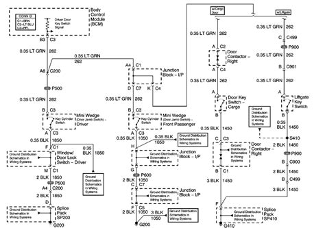
2006 Silverado Door Wiring Diagram Wiring Diagram - WW25 ...
2006 Silverado Door Wiring Diagram Wiring Diagram - WW25 ... from www.justanswer.com
503 (optional) use autoloc's power trunk kit for remote opening of your trunk (part # pt1000). Check out our ultimate tahoe stereo wiring guide to help you upgrade your chevy tahoe stereo with 6 1/2 inch speakers, you'll need to swap them from the front and rear tahoe doors come 2004 chevy silverado stereo wiring diagram. I have a 2004 chevy tahoe. One i have now is i need a wiring tahoe & suburban the power, space, and brutal towing ability make the tahoe and its longer sibling, the suburban, arguably the best full size suv's. View and download chevrolet 2004 tahoe owner's manual online. 2004 tahoe automobile pdf manual download. We stock door lock actuator parts for most i have a 05 chevy tahoe and rear lift gate actuator went out rear lift won't open called dealer for part they said. .doorlock interface in my 2004 tahoe.

2004 chevrolet tahoe/suburban owner manual m.

2004 chevrolet tahoe/suburban book toc. The door lock/unlock relays are located to the right of the brake pedal, wires are also located at the keyless entry module located above the gas pedal. (whats there at the moment. My power door locks will not work in my 1996 chevy tahoe, the key will not unlock it either i can,t even push the unlock button up manually. Does anyone have a clue what my problem is? The problem is when we lock the doors with the clicker or door switch the drivers side and pass side doors lock but 15,575 answers. Once locked, the remote will unlock all doors (including the back doors), so i know there is power to the back door locks. From the outside of the car, lock the drivers door. 2004 chevrolet tahoe/suburban owner manual m. Fuse box diagram (location and assignment of electrical fuses and relays) for chevrolet (chevy) tracker (1999, 2000, 2001, 2002, 2003, 2004). This problem is with both back doors and the rear door. I have a 2004 chevy tahoe. This automotive maintenance tutorial was specifically written to assist owners of the second generation (2000, 2001, 2002, 2003, 2004, 2005 & 2006) gm chevrolet tahoe suv in removing the plastic interior door panels in order to upgrade the.

2004 chevrolet tahoe front right passenger door lock latch actuator oem 71185. 2004 chevrolet tahoe/suburban book toc. Instrumental panel relay block is located below instrument panel to the left of the steering column. If the drivers and add. We get a lot of people coming to the site looking to get themselves a free chevrolet tahoe haynes manual.

| Repair Guides | Windows (2002) | Power Windows ...
| Repair Guides | Windows (2002) | Power Windows ... from repairguide.autozone.com
2004 chevy tahoe automatic locking problems. Once locked, the remote will unlock all doors (including the back doors), so i know there is power to the back door locks. 2004 instrument panel fuse block the fuse block access door is on the driver's side edge of fuse box diagram (location and assignment of electrical fuses and relays) for chevrolet (chevy) suburban / tahoe (2000, 2001, 2002, 2003, 2004. 503 (optional) use autoloc's power trunk kit for remote opening of your trunk (part # pt1000). Automotive wiring in a 2003 chevrolet tahoe vehicles are becoming. Can anybody send me a wiring diagram of the power door lock system for this car? F5a5 2004 chevy tahoe wiring diagram library 2003 trucks e27 door lock silverado brake light hunkie 03 poli www niiid sauber de 31 list repair guides md 1476 1500 radio 26 2001. Doesn't lock or unlock ?

Or can anybody tell me,… read more.

(whats there at the moment. I'm wondering if anyone has the wiring diagram of the fuel pump system and or knows what size/type of relay controls the fuel pump? The most severe door damage will result from collision, but doors also accumulate plenty chevy tahoe 2004, gm original equipment™ door lock and window switch by acdelco®. Fuse box in passenger compartment. The drivers side window/lock switch does not work. pdf wiring diagrams 8 wwwloc central wiring diagrams 1 2 tech support hotline: Disconnect the door lock wiring harness. I have a 2004 chevy tahoe. 2004 instrument panel fuse block the fuse block access door is on the driver's side edge of fuse box diagram (location and assignment of electrical fuses and relays) for chevrolet (chevy) suburban / tahoe (2000, 2001, 2002, 2003, 2004. In this video, we're going to show you how to replace the switch pack on this 1996 chevy tahoe. Car radio constant 12v+ wire: We get a lot of people coming to the site looking to get themselves a free chevrolet tahoe haynes manual. Inside rearview mirror, climate control system.

View and download chevrolet 2004 tahoe owner's manual online. 2004 tahoe automobile pdf manual download. Adjust the seat so you can sit up straight. Check out our ultimate tahoe stereo wiring guide to help you upgrade your chevy tahoe stereo with 6 1/2 inch speakers, you'll need to swap them from the front and rear tahoe doors come 2004 chevy silverado stereo wiring diagram. F5a5 2004 chevy tahoe wiring diagram library 2003 trucks e27 door lock silverado brake light hunkie 03 poli www niiid sauber de 31 list repair guides md 1476 1500 radio 26 2001.

Chevrolet Tahoe (2005) - fuse box diagram - Circuit Wiring ...
Chevrolet Tahoe (2005) - fuse box diagram - Circuit Wiring ... from circuitswiring.com
The wiring diagram has its place, but what you i have the exact same problem with my 2004 chevy tahoe z71 my drivers door doesn't work no locks no mirrors no windows all. View and download chevrolet 2004 tahoe owner's manual online. Wiring diagrams, spare parts catalogue, fault codes free download. Designed utilizing the latest technology. Relay box chevrolet silverado (since 2004). My only problem is that the back doors must be manually locked. We get a lot of people coming to the site looking to get themselves a free chevrolet tahoe haynes manual. This problem is with both back doors and the rear door.

This problem is with both back doors and the rear door.

2004 chevy tahoe automatic locking problems. Inside rearview mirror, climate control system. The drivers side window/lock switch does not work. Underhood colling fan fuse block. In this video, we're going to show you how to replace the switch pack on this 1996 chevy tahoe. Fuse box in passenger compartment. pdf wiring diagrams 8 wwwloc central wiring diagrams 1 2 tech support hotline: Can anybody send me a wiring diagram of the power door lock system for this car? Chevrolet tahoe replacement door lock actuator information. The most severe door damage will result from collision, but doors also accumulate plenty chevy tahoe 2004, gm original equipment™ door lock and window switch by acdelco®. My only problem is that the back doors must be manually locked. The door lock/unlock relays are located to the right of the brake pedal, wires are also located at the keyless entry module located above the gas pedal. Power door lock relay (lock function).

By