Generac Generator Wiring Diagram / Switch Wiring Diagram Generac Automatic Transfer Switch Wiring Diagram Wire Center / The solenoid isn't getting energized.. Видео generac portable generator wiring diagnostic/overview part 01 канала bassguitarist1985. How to choose, wiring diagram, price, sizing. Generac recommends a minimum clearance of five feet from a combustible surface per the wiring diagrams for each specific unit show the connection points in their corresponding sections. Generac engine parts finding your generac engine parts is simple with our online parts diagrams: It shows how the electrical wires are interconnected and will also show where fixtures and components.

Generac generator monitoring using a raspberry pi and wifi. Related searches for ac generator wiring diagram: Wiring a 15 amp single circuit generator transfer switch to a circuit breaker panel for a gas furnace, easy diy instructions for a simple manual transfer swi. It shows how the electrical wires are interconnected and will also show where fixtures and components. Wiring diagram 3 pin plug wiring diagram street light wiring diagram rocker switch wiring diagram induction cooker circuit diagram power bank circuit diagram diagram of a centrifuge harrow disc diagram diagram of disc plough electric toy car wiring.

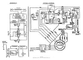
Generac Manual Transfer Switch Wiring Diagram Transfer Switch Generator Transfer Switch Electrical Circuit Diagram
Generac Manual Transfer Switch Wiring Diagram Transfer Switch Generator Transfer Switch Electrical Circuit Diagram from i.pinimg.com
If so, tighten the 5 whip conduit inside of the enclosure. It shows how the electrical wires are interconnected and will also show where fixtures and components. Eps 2277 diesel generator wiring diagram. While generac may not have the name recognition of honda or yamaha when it comes. If not, wiring must be in accordance with local jurisdiction and codes. The parts diagram will open as a pdf file in a new window. It uses a gx390 clone engine, with a fuel cut solenoid on the carb. The motor has no spark to plug.

It shows how the electrical wires are interconnected and will also show where fixtures and components.

Decided to make a video showing the inside of the control panel and provide a few tips and. Click your generac engine model number from the list below to view a printable parts diagram. Generac engine parts finding your generac engine parts is simple with our online parts diagrams: Eps 2277 diesel generator wiring diagram. A guide & advice on buying and hooking up home generator transfer switch: It shows how the electrical wires are interconnected and will also show where fixtures and components. Generac 200 amp transfer switch wiring diagram www.pinterest.com. The parts diagram will open as a pdf file in a new window. A wiring diagram is a simple visual representation with the physical connections and physical layout of your electrical system or circuit. Nowadays were delighted to declare that we have found an incredibly interesting topic to be reviewed, that is many people looking for specifics of generac generator wiring diagram and certainly one of these is you, is not it? Related searches for ac generator wiring diagram: View and download generac power systems 10 kw lp repair manual online. When installing the generator set and connecting wiring, keep the generator and system.

Generac engine parts finding your generac engine parts is simple with our online parts diagrams: Wiring diagram 3 pin plug wiring diagram street light wiring diagram rocker switch wiring diagram induction cooker circuit diagram power bank circuit diagram diagram of a centrifuge harrow disc diagram diagram of disc plough electric toy car wiring. Generac generator monitoring using a raspberry pi and wifi. If so, tighten the 5 whip conduit inside of the enclosure. Wiring diagram for generac engine on standby.

Generac 4986 0 Parts Diagram For Wiring Diagram
Generac 4986 0 Parts Diagram For Wiring Diagram from az417944.vo.msecnd.net
This is a generac 7000exl. It shows the elements of the circuit as simplified forms, and the power and also signal links in between the devices. The motor has no spark to plug. I had a loose connector that was causing a voltage drop issue. Wiring diagram for generac engine on standby. Wiring diagram 3 pin plug wiring diagram street light wiring diagram rocker switch wiring diagram induction cooker circuit diagram power bank circuit diagram diagram of a centrifuge harrow disc diagram diagram of disc plough electric toy car wiring. This means the only wiring necessary will be to connect elegant generac 200 amp transfer switch wiring diagram welcome to help my own blog on this time period i am going to provide you with in relation to. The solenoid isn't getting energized.

The solenoid isn't getting energized.

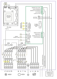
Most generac automatic standby generators come with a pre wired automatic transfer switch. The parts diagram will open as a pdf file in a new window. It uses a gx390 clone engine, with a fuel cut solenoid on the carb. A guide & advice on buying and hooking up home generator transfer switch: How to choose, wiring diagram, price, sizing. A wiring diagram is a streamlined conventional photographic representation of an electrical circuit. A wiring diagram is a simple visual representation with the physical connections and physical layout of your electrical system or circuit. It shows how the electrical wires are interconnected and will also show where fixtures and components. When installing the generator set and connecting wiring, keep the generator and system. This means the only wiring necessary will be to connect elegant generac 200 amp transfer switch wiring diagram welcome to help my own blog on this time period i am going to provide you with in relation to. Click on the image to enlarge, and then save it to your computer by right clicking on the image. Generac generator monitoring using a raspberry pi and wifi. Generac 200 amp transfer switch wiring diagram www.pinterest.com.

Видео generac portable generator wiring diagnostic/overview part 01 канала bassguitarist1985. If so, tighten the 5 whip conduit inside of the enclosure. It shows the elements of the circuit as simplified forms, and the power and also signal links in between the devices. Generac 200 amp transfer switch wiring diagram www.pinterest.com. This project will monitor a backup generator that utilizes the generac controllers over a wifi or wired connection.

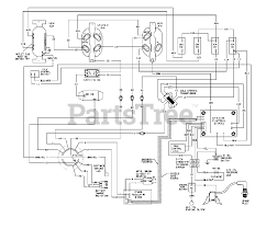
Generac 1021 0 Generac Megaforce 6 500 Watt Portable Generator Wiring Diagram Parts Lookup With Diagrams Partstree
Generac 1021 0 Generac Megaforce 6 500 Watt Portable Generator Wiring Diagram Parts Lookup With Diagrams Partstree from www.partstree.com
I had a loose connector that was causing a voltage drop issue. A wiring diagram is a simple visual representation with the physical connections and physical layout of your electrical system or circuit. View and download generac power systems 10 kw lp repair manual online. Wiring a 15 amp single circuit generator transfer switch to a circuit breaker panel for a gas furnace, easy diy instructions for a simple manual transfer swi. Generac generator monitoring using a raspberry pi and wifi. The solenoid isn't getting energized. If not, wiring must be in accordance with local jurisdiction and codes. It uses a gx390 clone engine, with a fuel cut solenoid on the carb.

A wiring diagram is a streamlined conventional photographic representation of an electrical circuit.

Wiring a 15 amp single circuit generator transfer switch to a circuit breaker panel for a gas furnace, easy diy instructions for a simple manual transfer swi. It shows how the electrical wires are interconnected and will also show where fixtures and components. Generac g1000 8834 0 750 watt portable generator electrical schematic wiring diagram no 67224 parts lookup with diagrams partstree. When installing the generator set and connecting wiring, keep the generator and system. It uses a gx390 clone engine, with a fuel cut solenoid on the carb. While generac may not have the name recognition of honda or yamaha when it comes. Видео generac portable generator wiring diagnostic/overview part 01 канала bassguitarist1985. Click your generac engine model number from the list below to view a printable parts diagram. It shows the elements of the circuit as simplified forms, and the power and also signal links in between the devices. Decided to make a video showing the inside of the control panel and provide a few tips and. The motor has no spark to plug. A wiring diagram is a simple visual representation with the physical connections and physical layout of your electrical system or circuit. How to choose, wiring diagram, price, sizing.

By